Tipos de medición en autoconsumo sin excedentes
Si aún no sabes que es el autoconsumo sin excedentes o inyección cero, lee el siguiente artículo: Autoconsumo sin excedentes | Inyección cero ¿Qué es?
Nos podemos encontrar diferentes tipos de instalación en las que se van a requerir equipos de medida distintos. A continuación, se van a identificar las instalaciones más comunes y las soluciones que ofrecemos desde SumSol:
1. Medida en baja tensión y un único punto de conexión a la red
En este apartado de la medición en autoconsumo sin excedentes, tenemos distintas opciones dependiendo de las marcas de los dispositivos de la instalación, pero lo que todas tienen en común es que se va a necesitar un único medidor de potencia ya sea de medida directa (vatímetros en los que la medida se hace directamente pasando los cables de potencia por el propio aparato) o indirecta (vatímetros en los que la medida de intensidad se realiza mediante transformadores de medida y la de tensión directamente).
Estos medidores deben cumplir los certificados y por supuesto deben ser compatibles con el dispositivo maestro, por ejemplo, de Ingeteam tenemos el WM20 y de SAJ, el CHINT DTSU. En caso de Huawei están certificados los modelos principales DDSU666-H y DTSU666-H, pero es posible utilizar otros vatímetros con las mismas características (precisión y velocidad de refresco de la medida) que sean compatibles.
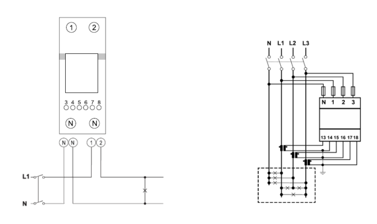
2. Medida en baja tensión con varios puntos de conexión a la red
En caso de tener varios puntos de medida de inyección cero, tenemos varias posibles soluciones:
- Vatímetro con comunicación a un sistema de control como por ejemplo el EMS de Ingeteam con varios vatímetros o varios Janitza UMG604 con un Smartlogger.
- Varios vatímetros con sistema de control incorporado: Renesys.
- Sumador pasivo de intensidad con vatímetro con comunicación a un sistema de control: Sumadores de intensidad de Circutor (Uno por fase) + EM530 + Smartlogger.
3. Medida en media tensión y alta tensión
Pare realizar esta medida autoconsumo sin excedentes, vamos a necesitar transformadores de tensión a parte de los transformadores de intensidad. Las soluciones que proponemos desde SumSol son los vatímetros: Janitza UMG604, Carlo Gavazzi WM20 y Renesys Prisma.
No hay un modelo que sea válido para todas las instalaciones. Nuestra recomendación: Estudiar cada instalación individualmente y elegir la solución necesaria que satisfaga al cliente e instalador y que cumpla la normativa.

